![]()
Контроллеры телемеханики МИКРО КП32 и КОДИС-1206, устанавливаемые на контролируемых объектах (подстанция, ТП, РП), помимо функции сбора и передачи данных могут применяться для различных задач локального управления на объекте. Функция локальной автоматики подразумевает реализацию автоматического управления выходными параметрами по заданному алгоритму на основании анализа входных параметров объекта (состояния сигналов, значения измерений). Примеры: управление РПН, управление обдувом трансформаторов и т.д.
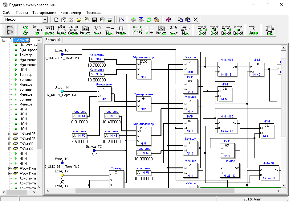
Для задания управляющего алгоритма предназначен специальный пакет программ «Редактор схем локальной автоматики».
Программа предназначена для создания, просмотра и редактирования схем локальной автоматики. Созданные схемы используются в контроллерах, поддерживающих функции автоматики.
Схемы представлены в графическом виде. За основу взят стандарт IEC 61131-3 Function Block Diagram (FBD).

Построение схемы происходит путем расположения элементов простейшей логики, таких как И, ИЛИ, триггер и т.п. После установки элементов требуется провести связи, определяющие взаимодействие между элементами. Для завершения остаётся настроить адреса и порядок выполнения.
Для облегчения создания больших схем введены элементы «БИС», представляющие собой аналог Больших Интегральных Схем в схемотехнике. Смысл использования БИС заключается в сохранении функционально законченной схемы в виде одного элемента. Тогда при потребности дальнейшего использования данной функции нет необходимости заново набирать схему или копировать элементы из готовой схемы, а достаточно просто установить сохраненную БИС.
В редактор введен ряд автоматических проверок действий пользователя, что избавляет последнего от запоминания определенных правил.
Для отладки схемы перед ее запуском на реальном объекте имеется встроенная в редактор программа тестирования. Отладка заключается в задании внешних входных воздействий, установлении их зависимости от сигналов, выдаваемых схемой, и съёме результатов работы схемы. После запуска тестирования редактор выполняет просчёт схемы с заданными входными воздействиями, как это будет происходить в реальном контроллере. Значения всех параметров работы схемы могут фиксироваться в текстовом файле и отображаться в виде графиков и таблицы. Путём анализа построенных графиков определяется правильность выполнения задачи.
Редактор позволяет напрямую работать с контроллером, осуществлять запись и считывание файла автоматики. Дополнительная функция диагностики позволяет контролировать выполнение задачи непосредственно на схеме.